Features
2 story / 7,900 sf
Florida Vernacular Architecture
(7) Bunk Rooms for the Fire Fighters
Office
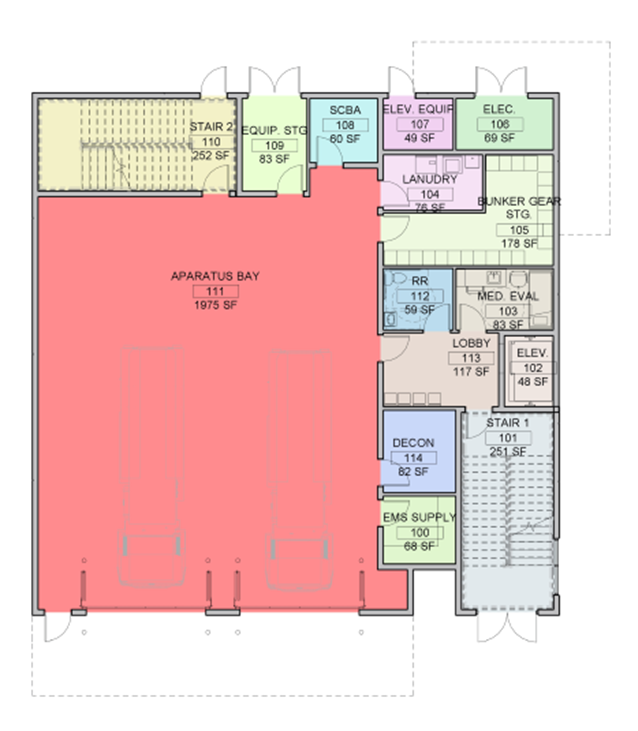
2-Vehicle Apparatus Bay
Multi-Use Classrooms
Gymnasium
Balconies
Kitchen & Dayroom
Services Provided
Conceptual Design
PROJECT INFORMATION
Poised to elevate emergency response on Florida’s Gulf Coast, the new Marco Island Fire Station 51 is a two-story, 7,900-square-foot facility crafted to meet the City’s growing public safety demands with greater precision and preparedness. Strategically designed from the ground up, the station prioritizes efficient circulation, durability, and seamless operations for fire and EMS personnel.
A MODERN APPROACH TO PUBLIC SAFETY INFRASTRUCTURE

Inside, the layout includes a modern apparatus bay, daily living quarters for firefighters and EMTs, designated training areas, and space for physical wellness—all organized to support around-the-clock service with minimal response delay. Every element of the design is intentional, reflecting operational priorities while fostering comfort and readiness for those who serve.
A defining feature of Fire Station 51 is its architectural sensitivity. While unique in form and tailored for its purpose, the building’s design remains in harmony with the surrounding island aesthetic, enhancing the civic landscape rather than overwhelming it. Forward-thinking planning has also incorporated space and infrastructure considerations for a future marine fire rescue component, ensuring the station can evolve alongside the city’s public safety needs.















